Выполнили проект перепланировки квартиры по пр-т. Газеты Правда д.14 к.2 г. Минск
Сегодня: 0, за все время: 165
г. Минск
Московский
12
M-111-90
Петровщина
9 минут пешком
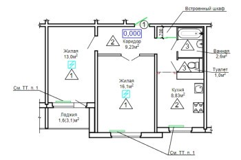
Выполненная перепланировка квартиры по проспекту Газеты Правда д. 14 к. 2 представляет собой следующие решения:
- Получили Разрешение Администрации Московского района на перепланировку (переустройство ) квартиры.
- Выполнили Строительный проект, состоящий из раздела АС - Архитектурно-строительные решения; ОВ - Отопление и вентиляция воздуха.
- Согласовали строй проект в ЖЭУ, а также у начальника Управления Архитектуры и строительства Администрации Московского района г. Минска.
- Выполнили работы по замене радиаторов отопления и подводок к ним.
- Заказали Обмерочную Ведомость БТИ + составили и согласовали акты на скрытые работы.
- Подали пакет документов в Службу "Одно Окно" на получение Разрешения исполкома на регистрацию актов ввода.
- Получили Решение исполкома и зарегистрировали его в БТИ г. Минска и получили новые правоустанавливающие документы, включающие новый технический паспорт + Свидетельство о гос. регистрации БТИ.
Информация
Год постройки
1988
Серия
М-111-90
Тип дома
панельный
Планировка
стандартный проект
Район
Московский район
Микрорайон
Юго-Запад
Этажность
12
Метро
Петровщина
№ дома
14/2
Улица
пр-т. Газеты Правда
Город
г. Минск
Координаты
53.867931, 27.479303
Похожие проекты
Выполнить аналогичное согласование перепланировки , а также технический надзор можем и Вам. Достаточно оставить заявку "Заказать звонок" либо позвонить нам по телефонам +375 (29) 311-86-94 и +375 (33) 311-86-94
Адекватные цены, сертифицированные и опытные специалисты помогут выбрать Вам оптимальное решение.


