Выполнили проект перепланировки квартиры по ул. Козлова д.8 г. Минск
Сегодня: 0, за все время: 106
г. Минск
Партизанский
7
Площадь Победы
6 минут пешком
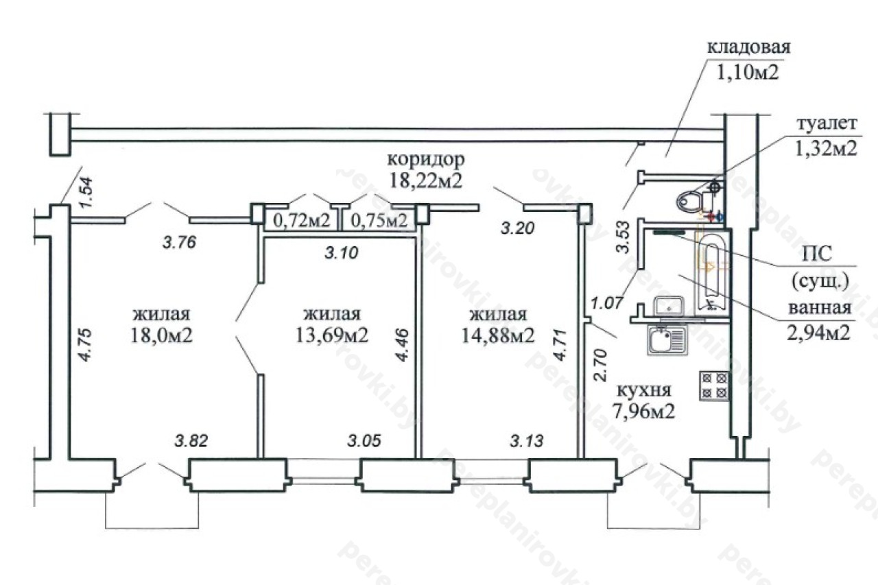
Выполнили проект перепланировки квартиры по Козлова д.8 в Минске представляет собой следующие решения:
- Получили Разрешение на перепланировку в Администрации Партизанского района.
- Разработали проект перепланировки (переустройства). (разделы АС, ОВ).
- Согласовали строительный проект с Управлением Архитектуры и строительства Администрации Партизанского района г. Минска.
- Осуществили технический надзор за производстом работ. Составили акты на скрытые работы.
- Заказали Обмерочную Ведомость БТИ.
- Создали комиссию на ввод в эксплуатацию и согласовали со всеми заинтересованными лицами.
- Подали "пакет" документов в Службу Одно Окно на вынесение Решения "о регистрации актов ввода в БТИ"
- Зарегистрировали акты ввода + решение в БТИ = получили новые правоустанавливающие документы, включая новый Технический паспорт + Свидетельство о государственной регистрации БТИ.
Информация
Год постройки
1960
Серия
индвидуальный
Тип дома
кирпичный
Планировка
сталинка
Район
Партизанский район
Микрорайон
Захарова
Метро
Площадь Победы
№ дома
8
Улица
ул. Козлова
Город
г. Минск
Координаты
53.907795, 27.584424
Похожие проекты


