Выполнили перепланировку квартиры по ул. Лейтенанта Куконенко д. 14А г. Барановичи
Сегодня: 0, за все время: 167
г. Барановичи
10
90М-БР1.10, 2.10
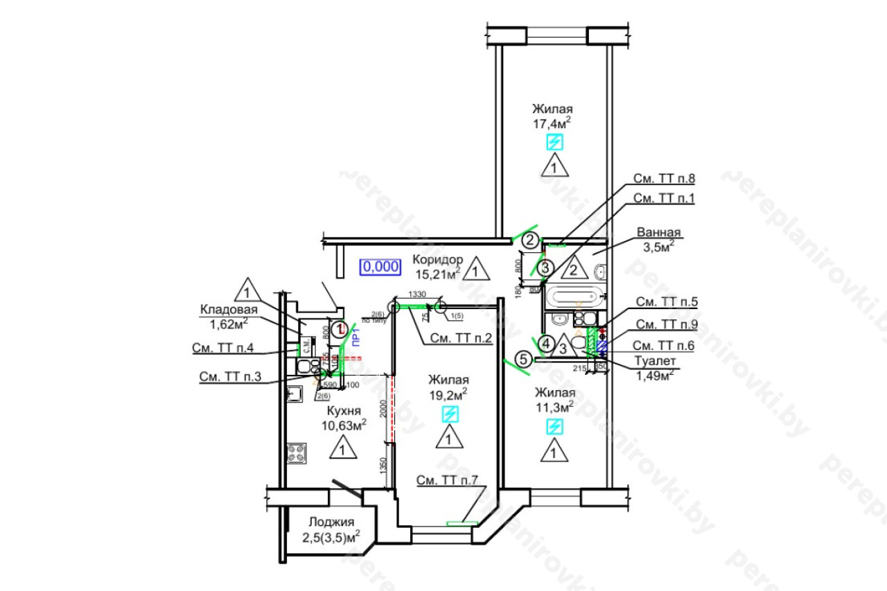
Выполненная перепланировка квартиры по улице Лейтенанта Куконенко д. 14А представляет собой следующие решения:
- Получили Решение Барановического городского исполнительного комитета на перепланировку (переустройство) квартиры.
- Разработали проект перепланировки, включая разделы: АС, КМ, ОВ, ТЗ, ОПЗ.
- Согласовали проект в Управлении архитектуры и строительства Барановического городского исполнительного комитета , ЖЭС-е.
- Успешно защитили строительный проект в ГП «Госстройэкспертиза по Брестской области» без единого замечания.
- Выполнили строй работы по устройству проёма между кухней и жилой комнатой с усилением Рамой опорной металлической РОМ1 размером 2060 мм (Усиление наружного типа: ригель 2 швеллера накладных под перекрытие по расчёту, а стойки уголки, стянутые на шпильки 8,8 класса прочности гайками.
- Выполнили строй работы по гидроизоляции пола вновь образованного объединённого санузла (имеем Сертификат качества).
- Выпонили строй. Работы по замене радиаторов отопления (имеем аттестаты соответствия).
- Осуществили технический надзор за производством работ как ИП Шусталик Р.А., составили акты на скрытые работы. (имеем аттестаты соответствия МАиСт РБ)
- Заказали Обмерочную Ведомость БРТИ, согласовали её с ЖЭУ.
- Созвали комиссию на ввод квартиры в эксплуатацию после перепланировки + составили и согласовали с комиссией акты на ввод в эксплуатацию.
- Получили Решение Барановического городского исполнительного комитета на регистрацию актов ввода после перепланировки в БРТИ.
- Зарегистрировали акты ввода + Решение исполкома в БРТИ г. Барановичи – получили новые правоустанавливающие документы:
- Новый Технический паспорт.
- Новое свидетельство о государственной регистрации БТИ г. Барановичи на имя собственника квартиры.
Информация
Год постройки
2022
Серия
90М-БР1.10, 2.10
Область
Брестсткая обл.
Проект
90М-БР1.10, 2.10
Тип дома
панельный
Планировка
новостройка
Этажность
10
№ дома
14А
Улица
ул. Лейтенанта Куконенко
Город
г. Барановичи
Координаты
53.152710, 25.992322
Похожие проекты


