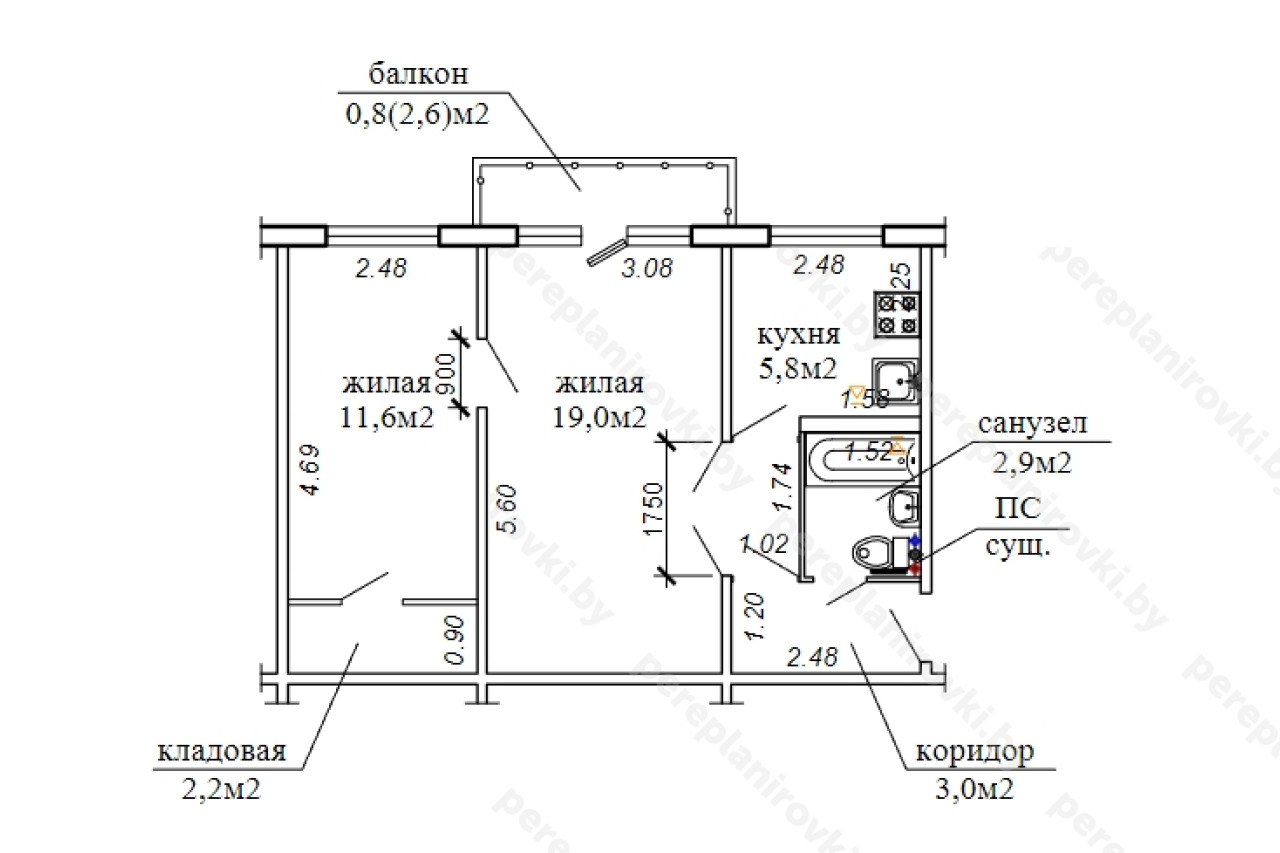
Выполнили проект перепланировки квартиры по пер. Клумова д. 19 г. Минск
Сегодня: 0, за все время: 120
г. Минск
Партизанский
5
1-464
Тракторный завод
10 минут пешком
Выполнили проект перепланировки по переулку Клумова д. 19 г. Минск представляет собой следующие решения:
- Получили Разрешение на перепланировку (переустройство) в Администрации Партизанского района г. Минска.
- Выполнили строительный проект на перепланировку. Разделы: АС,КМ,ОПЗ,ТЗ.
- Согласовали проект в исполкоме Партизанского района, Главным инженером ЖЭУ.
- Защитили проект в ГП «Госстройэкспертиза по г. Минску» без единого замечания и получили Положительное Заключение по проекту.
- Выполнили стройработы:
- Увеличение существующего проёма между жилой и жилой в несущей стене с усилением металлической рамой опорной РОМ 1.
- Сантехнические, электромонтажные работы.
- Осуществили технический надзор за производством работ. Составили акты на скрытые работы.
- Заказали обмерочную Ведомость БТИ. Согласовали данный документ в ЖЭУ.
- Составили акты на ввод в эксплуатацию. Согласовали акты с комиссией, куда входят все заинтересованные лица.
- Подали весь «пакет документов» в Службу Одно Окно для вынесения Решения исполкома Партизанского района «о регистрации актов ввода в БТИ…»
- Зарегистрировали в БТИ Решение исполкома на ввод, заказали правоустанавливающие документы, включающие :
- - Новый технический паспорт;
- - Новое свидетельство о государственной регистрации БТИ.
Информация
Год постройки
1963
Серия
1-464
Тип дома
панельный
Планировка
хрущевка
Район
Партизанский район
Микрорайон
Тракторный завод
Этажность
5
Метро
Тракторный завод
№ дома
19
Улица
пер. Клумова
Город
г. Минск
Координаты
53.885957, 27.602013
Похожие проекты


