Выполнили проект перепланировки квартиры по ул. Аэродромная д. 22 г. Минск
Сегодня: 0, за все время: 108
г. Минск
Октябрьский
25
М-464
Аэродромная
9 минут пешком
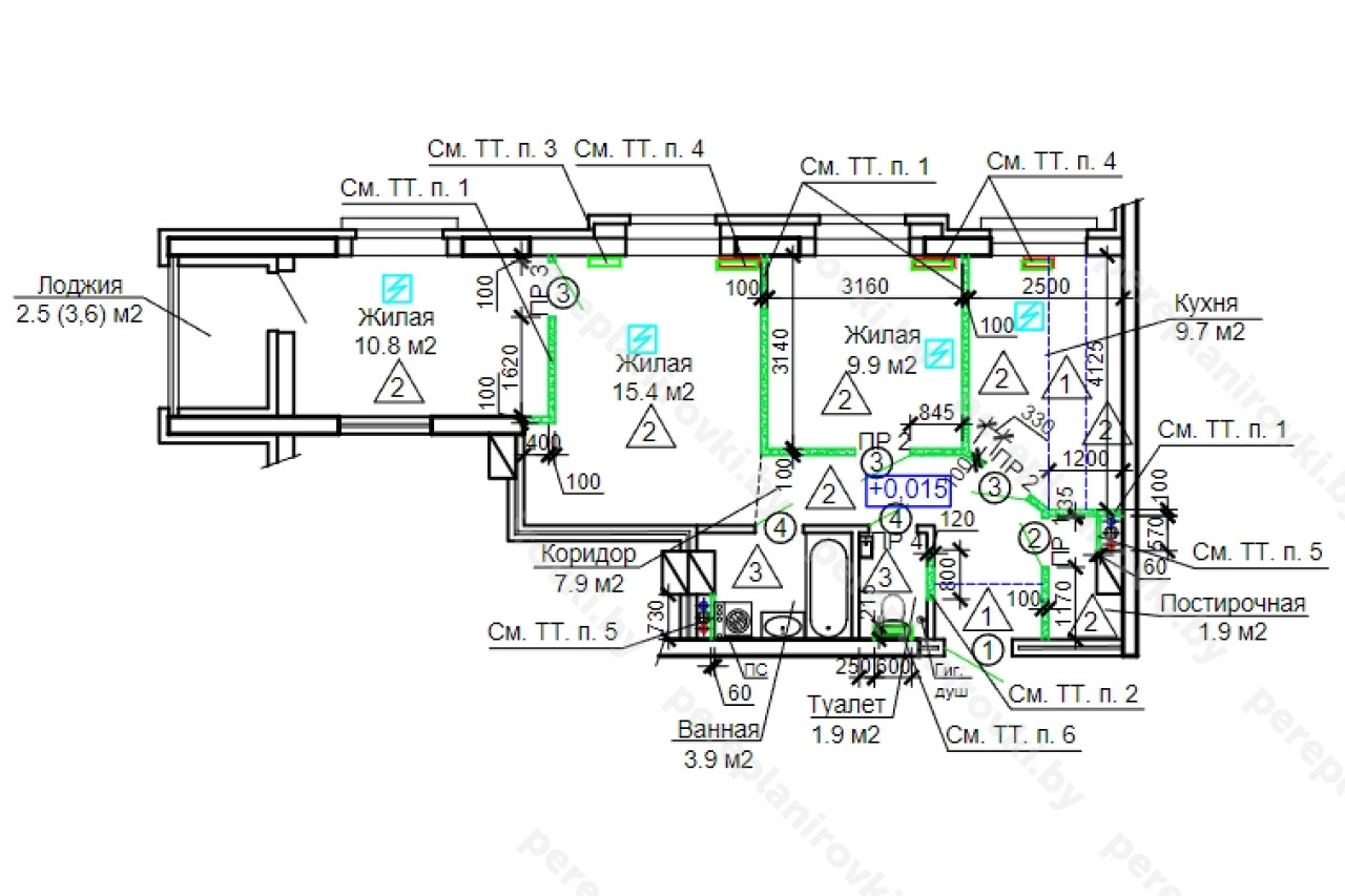
Выполнили проект перепланировки по улице Аэродромная д. 22 в Минске представляет собой следующие решения:
- Получили Разрешение Администрации Октябрьского района г. Минска на перепланировку (переустройство).
- Разработали архитектурный проект перепланировки (Раздел АС -Архитектурно-строительные работы, ОВ - Отопление и вентиляция).
- Согласовали Архитектурно-строительный проект с Зам. Начальника управления архитектуры и строительства Администрации Октябрьского района г. Минска, а также Председателем ТС.
- Выполнили стройработы по устройству гидроизоляции пола вновь образованного санузла, а также переносу и замене радиатора отопления. (пре5доставили необходимые Аттестаты и Сертификаты МАиСт РБ).
- Осуществили технический надзор, составили акты на скрытые работы.
- Заказали обмерочную Ведомость БТИ.
- Составили комиссию на ввод в эксплуатацию + согласовали акты ввода с комиссией.
- Получили Решение исполкома на регистрацию изменений после перепланировки в БТИ.
- Зарегистрировали в БТИ Решение исполкома, получили новые правоустанавливающие документы - новый технический паспорт + Свидетельство о гос. Регистрации.
Информация
Год постройки
2023
Квартал
Южная Европа
Серия
индвидуальный
Тип дома
монолитный
Жилой комплекс
ЖК Minsk World
Планировка
свободная
Район
Октябрьский район
Микрорайон
Минск Мир
Этажность
25
Метро
Аэродромная
№ дома
22
Улица
ул. Аэродромная
Город
г. Минск
Координаты
53.872427, 27.540730
Дом
Котор
Похожие проекты
Выполнить аналогичное согласование перепланировки , а также технический надзор можем и Вам. Достаточно оставить заявку "Заказать звонок" либо позвонить нам по телефонам +375 (29) 311-86-94 и +375 (33) 311-86-94
Адекватные цены, сертифицированные и опытные специалисты помогут выбрать Вам оптимальное решение.
Dana Holdings
«Дана Холдингз» («Dana Holdings») – международная строительная компания. В состав группы входят в том числе ИООО «Дана Астра», ИООО «ЗомексИнвестмент» и СООО «Белинте-Роба», которые осуществляют деятельность в Республике Беларусь. Компания осуществля... Подробнее...Год основания: 2007
Адрес: 220114, г. Минск, ул. П. Мстиславца, д.5, помещение 207, комната 2
Телефоны: +375 17 388-17-19
Сайт: https://bir.by
Почта: bir@bir.by



