Выполнили перепланировку квартиры по ул. Панфилова д. 5 г. Минск
Сегодня: 0, за все время: 109
г. Минск
Центральный
8
индвидуальный
Молодежная
10 минут пешком
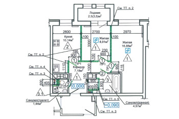
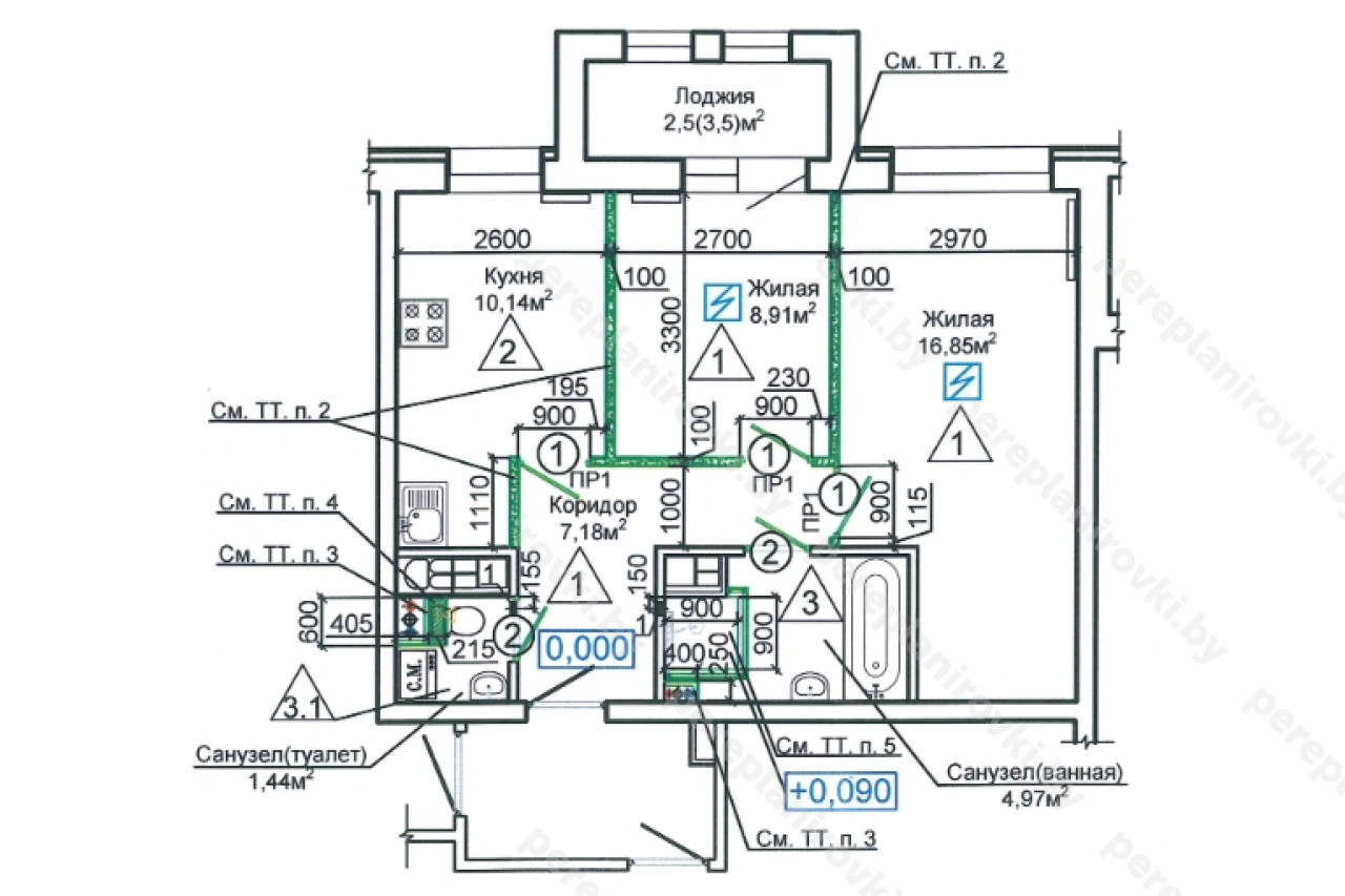
Перепланировка квартиры по улице Панфилова д. 5 в Минске представляет собой следующие решения:
- Получили Разрешение на перепланировку (переустройство) в Администрации Центрального района г. Минска
- Разработали строительный проект на перепланировку (переустройство) квартиры на основании решения исполкома. Раздел АС - Архитектурно-строительные решения.
- Согласовали строй проект в ТС, а также у Начальника отдела Архитектуры и строительства Администрации Центрального района г. Минска.
- Осуществили технический надзор на производством работ по гидроизоляции пола санузла. Составили акты на скрытые работы.
- Заказали Ведомость БТИ на обмер квартиры после перепланировки.
- Составили акты на ввод в эксплуатацию. Согласовали акты с комиссией, куда входят все заинтересованные лица.
- Подали весь «пакет документов» в Службу Одно Окно для вынесения Решения исполкома «о регистрации актов ввода в БТИ…»
- Зарегистрировали в БТИ Решение исполкома на ввод, заказали новые правоустанавливающие документы, включающие
- - Новый технический паспорт;
- - Новое свидетельство о государственной регистрации БТИ.
Информация
Год постройки
2022
Серия
индвидуальный
Тип дома
панельный
Жилой комплекс
Комфорт парк
Планировка
свободная
Район
Центральный район
Микрорайон
Победителей
Этажность
8
Метро
Молодежная
№ дома
5
Улица
ул. Панфилова
Город
г. Минск
Координаты
53.914886, 27.525782
Похожие проекты
Выполнить аналогичное согласование перепланировки , а также технический надзор можем и Вам. Достаточно оставить заявку "Заказать звонок" либо позвонить нам по телефонам +375 (29) 311-86-94 и +375 (33) 311-86-94
Адекватные цены, сертифицированные и опытные специалисты помогут выбрать Вам оптимальное решение.
Строминвест
Группа компаний Строминвест существует на строительном рынке Беларуси с 2000 года. Помимо работы внутри страны, компания выполняет строительные услуги и в других частях СНГ. Центральный офис компании расположен в Минске. ... Подробнее...Год основания: 1993
Адрес: 220073, Минск, ул. Притыцкого 2, корп. 3
Телефоны: +375 (17) 389-73-72
Сайт: strominvest.com
Почта: hq.minsk@strominvest.com




