Выполнили проект перепланировки квартиры по ул. Небесная д. 1 к. 1 д. Копище
Сегодня: 0, за все время: 138
д. Копище
Минский
19
M-111-90
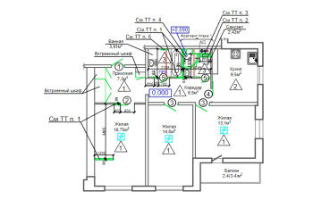
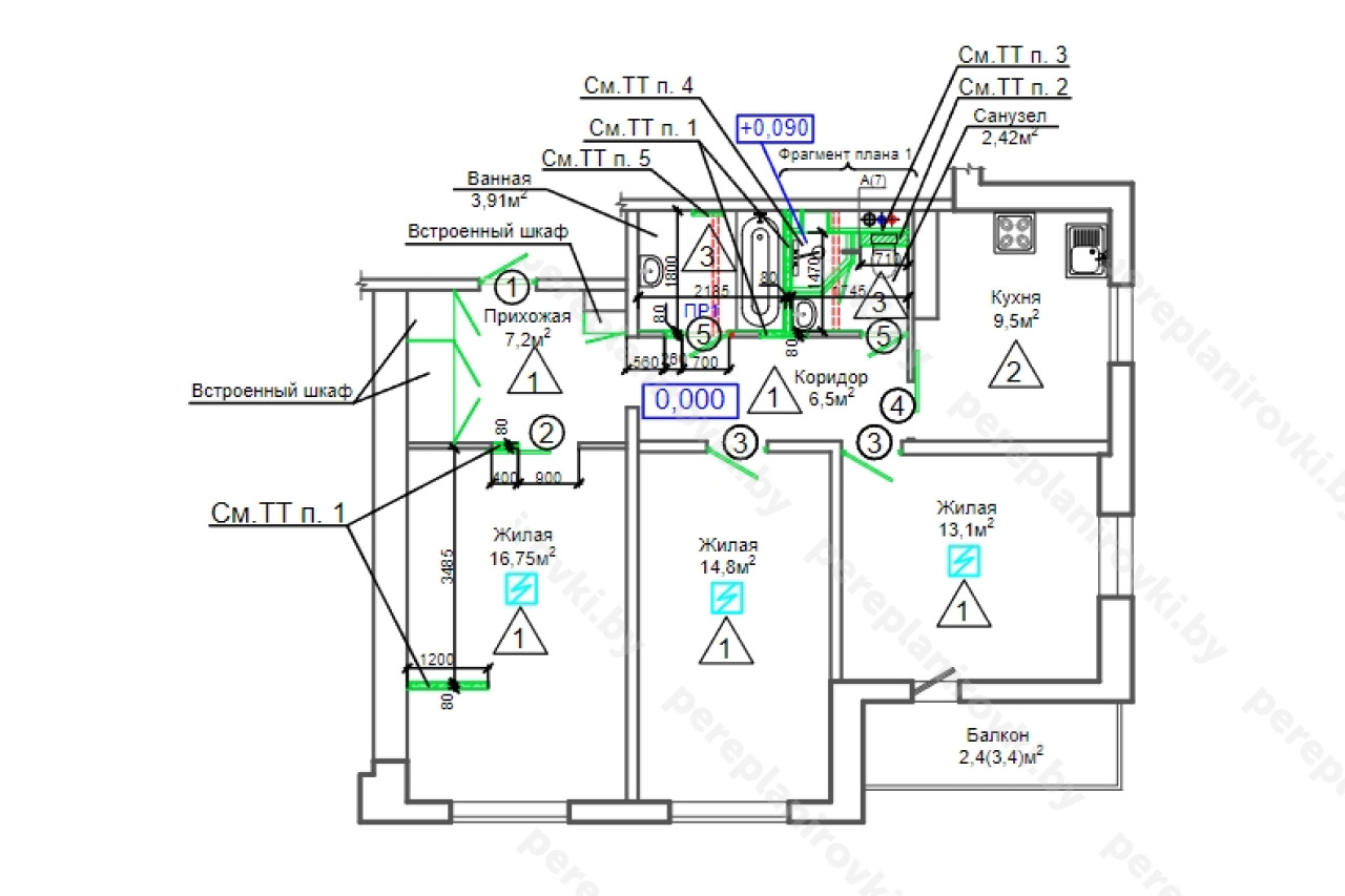
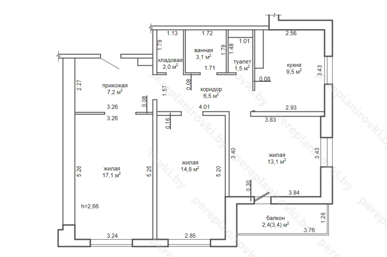
Выполнили проект перепланировки по улице Небесная д. 1 к. 1 в Копище представляет собой следующие решения:
- Получили Разрешение Администрации Минского района д. Копище на перепланировку (переустройство).
- Разработали архитектурный проект перепланировки (Раздел АС -Архитектурно-строительные решения).
- Согласовали Архитектурно-строительный проект с Начальником управления архитектуры и строительства Администрации Минского района г. д. Копище а, а также Председателем ТС.
- Выполнили стройработы по устройству гидроизоляции пола вновь образованном санузле.
- Осуществили технический надзор, составили акты на скрытые работы.
- Заказали обмерочную Ведомость БТИ Минского района.
- Составили комиссию на ввод в эксплуатацию + согласовали акты ввода с комиссией.
- Получили Решение исполкома Минского района на регистрацию изменений после перепланировки в БТИ Минского района.
- Зарегистрировали в БТИ Решение исполкома, получили новые правоустанавливающие документы - новый технический паспорт + Свидетельство о гос. Регистрации.
Информация
Год постройки
2016
Квартал
ART-квартал
Серия
М-111-90
Тип дома
панельный
Жилой комплекс
ЖК Новая Боровая
Планировка
новостройка
Район
Минский район
Этажность
19
Сельсовет
Боровлянский с/с
№ дома
1/1
Улица
ул. Небесная
Город
д. Копище
Стиль
постмодернизм
Координаты
53.953641, 27.663862
Похожие проекты
Выполнить аналогичное согласование перепланировки , а также технический надзор можем и Вам. Достаточно оставить заявку "Заказать звонок" либо позвонить нам по телефонам +375 (29) 311-86-94 и +375 (33) 311-86-94
Адекватные цены, сертифицированные и опытные специалисты помогут выбрать Вам оптимальное решение.
Адрес: 223053, Минский р-н, д. Боровая, 7
Телефоны: +375 29 300 00 00
Сайт: www.a-100development.by
Почта: a-100@a-100.by



