Выполнили проект перепланировки квартиры по ул. Каменногорская д. 90 г. Минск
Сегодня: 0, за все время: 196
г. Минск
Фрунзенский
9
M-111-90
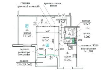
Выполнили проект перепланировки квартиры по ул. Каменногорская д. 90 в Минске представляет собой следующие решения:
- Получили Разрешение Администрации Фрунзенского района на перепланировку (переустройство ) квартиры.
- Выполнили Строительный проект, состоящий из раздела АС- Архитектурно-строительные решения и ОВ - Отопление и вентиляция.
- Согласовали строй проект в ТС, а также у Заместителя начальника Управления Архитектуры и строительства Администрации Фрунзенского района г. Минска.
- Выполнили строй работы по демонтажу подоконной части между жилой и лоджией, а также переносу и замене радиатора отопления.
- Выполнили демонтаж перегородки между жилой и коридором по проекту.
- Осуществили технический надзор за строительными работами.
- Заказали Обмерочную Ведомость БТИ+ составили и согласовали акты на скрытые работы.
- Подали пакет документов в Службу "Одно Окно" на получение Разрешения исполкома на регистрацию актов ввода.
- Получили Решение исполкома и зарегистрировали его в БТИ г. Минска и получили Новые правоустанавливающие документы, включающие Новый технический паспорт + Свидетельство о гос. Регистрации БТИ.
Информация
Год постройки
2013
Серия
М-111-90
Проект
М111-90 БС-40/41
Тип дома
панельный
Планировка
новостройка
Район
Фрунзенский район
Микрорайон
Каменная Горка
Этажность
9
№ дома
90
Улица
ул. Каменногорская
Город
г. Минск
Координаты
53.930353, 27.427317
Похожие проекты


