Выполнили проект перепланировки квартиры по ул. Калиновского д. 61 г. Минск
Сегодня: 0, за все время: 126
г. Минск
Первомайский
5
1-464А
Восток
8 минут пешком
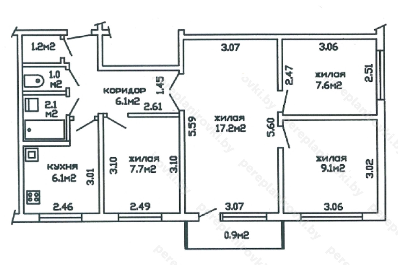
Выполнили согласование перепланировки квартиры по улице Калиновского д. 61 в Минске представляет собой следующие решения:
- В 2000 году были выполнены строй работы по усилению (расширению) проёма в несущей стене, а услугу по согласованию Заказчики оплатили лишь в 2024 году. Так как постарели и хотели всё узаконить, чтобы сделать на детей законное завещание. Но мы в архиве сохранили все фотографии и конструкторские расчёты.
- Заказали обмерочную Ведомость в МГАпоГРиЗК.
- Согласовали Ведомость МГАпоГРиЗК у Главного инженера ЖЭУ Первомайского района г. Минска.
- Изготовили Техническое Заключение о состоянии несущих конструкций.
- Привлекли собственника квартиры к административной ответственности в виде штрафа в ЖЭУ Первомайского района г. Минска.
- Оплатили штраф в 0,5 Б.В.
- Составили и согласовали акт выполненных работ по самовольной перепланировке у Главного инженера ЖЭУ Первомайского района г. Минска.
- Подали "пакет" документов в службу Одно Окно Администрации Первомайского района г. Минска на вынесение решения о "регистрации самовольной перепланировки".
- Получили положительную Выписку из Решения администрации Первомайского района г. Минска.
- Зарегистрировали Выписку из Решения исполкома в МГАпоГРиЗК и заказали новые правоустанавливающие документы.
- Получили в МГАпоГРиЗК новый Тех. паспорт на квартиру + Новое свидетельство о гос. Регистрации.
- Передали на офисе готовые все готовые документы Заказчику.
Информация
Год постройки
1966
Серия
1-464А
Тип дома
панельный
Планировка
брежневка
Район
Первомайский район
Микрорайон
Восток
Этажность
5
Метро
Восток
№ дома
61
Улица
ул. Калиновского
Город
г. Минск
Координаты
53.946122, 27.631172
Похожие проекты
Выполнить аналогичное согласование перепланировки , а также технический надзор можем и Вам. Достаточно оставить заявку "Заказать звонок" либо позвонить нам по телефонам +375 (29) 311-86-94 и +375 (33) 311-86-94
Адекватные цены, сертифицированные и опытные специалисты помогут выбрать Вам оптимальное решение.



