Выполнили проект перепланировки квартиры по ул. Матусевича д. 68 г. Минск
Сегодня: 0, за все время: 114
г. Минск
Фрунзенский
10
индвидуальный
Кунцевщина
14 минут пешком
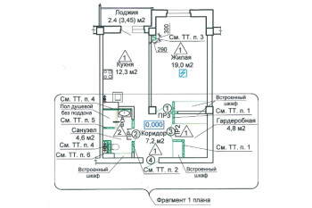
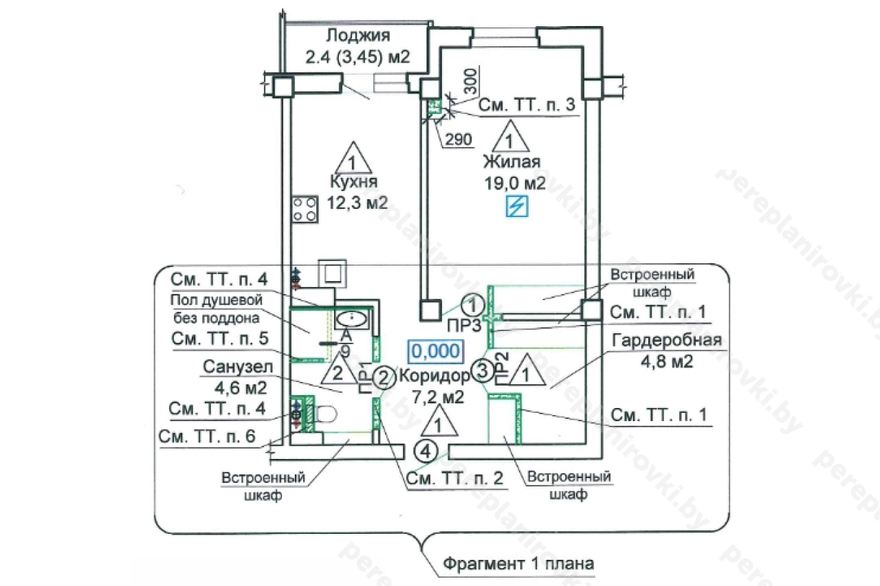
Выполнили проект перепланировки по улице Матусевича д. 68 в Минске представляет собой следующие решения:
- Получили Разрешение Администрации Фрунзенского района г. Минска на перепланировку (переустройство).
- Разработали архитектурный проект перепланировки (Раздел АС -Архитектурно-строительные работы).
- Согласовали Архитектурно-строительный проект с Зам. Начальника управления архитектуры и строительства Администрации Фрунзенского района г. Минска, а также Председателем ЖЭУ.
- Выполнили строй работы по устройству гидроизоляции пола вновь образованного санузла.
- Осуществили технический надзор, составили акты на скрытые работы.
- Заказали обмерочную Ведомость БТИ.
- Составили комиссию на ввод в эксплуатацию + согласовали акты ввода с комиссией.
- Получили Решение исполкома на регистрацию изменений после перепланировки в БТИ.
- Зарегистрировали в БТИ Решение исполкома, получили новые правоустанавливающие документы - новый технический паспорт + Свидетельство о гос. Регистрации
Информация
Год постройки
2011
Серия
индвидуальный
Тип дома
монолитный
Планировка
свободная
Район
Фрунзенский район
Микрорайон
Домбровка
Этажность
10
Метро
Кунцевщина
№ дома
68
Улица
ул. Матусевича
Город
г. Минск
Координаты
53.918222, 27.453854
Похожие проекты
Выполнить аналогичное согласование перепланировки , а также технический надзор можем и Вам. Достаточно оставить заявку "Заказать звонок" либо позвонить нам по телефонам +375 (29) 311-86-94 и +375 (33) 311-86-94
Адекватные цены, сертифицированные и опытные специалисты помогут выбрать Вам оптимальное решение.


