Выполнили проект перепланировки квартиры по пр-т. Независимости д. 74 г. Минск
Сегодня: 0, за все время: 112
г. Минск
Первомайский
5
индвидуальный
Площадь Ленина
2 минут пешком
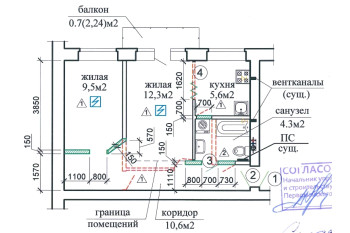
Выполнили перепланировку квартиры по проспекту Независимости д. 74 в Минске представляет собой следующие решения:
- Получили Разрешение Администрации Первомайского района г. Минска на перепланировку (переустройство).
- Разработали архитектурный проект перепланировки (Раздел АС -Архитектурно-строительные работы).
- Согласовали Архитектурно-строительный проект с Начальником управления архитектуры и строительства Администрации Первомайского района г. Минска, а также Главным Инженером ЖЭУ.
- Выполнили стройработы по гидроизоляции пола санузла.
- Осуществили технический надзор, составили акты на скрытые работы.
- Заказали обмерочную Ведомость БТИ.
- Составили комиссию на ввод в эксплуатацию + согласовали акты ввода с комиссией.
- Получили Решение исполкома на регистрацию изменений после перепланировки в БТИ.
- Зарегистрировали в БТИ Решение исполкома, получили новые правоустанавливающие документы - новый технический паспорт + Свидетельство о гос. Регистрации.
Информация
Год постройки
1962
Серия
индвидуальный
Тип дома
кирпичный
Планировка
сталинка
Район
Первомайский район
Микрорайон
Гикало
Этажность
5
Метро
Площадь Ленина
№ дома
74
Улица
пр-т. Независимости
Город
г. Минск
Стиль
советский неоклассицизм
Координаты
53.922167, 27.602668
Похожие проекты


