Выполнили проект перепланировки квартиры по пр-т. Независимости д. 60 г. Минск
Сегодня: 0, за все время: 111
г. Минск
Советский
5
индвидуальный
Академия Наук
7 минут пешком
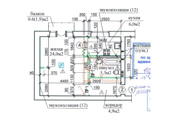
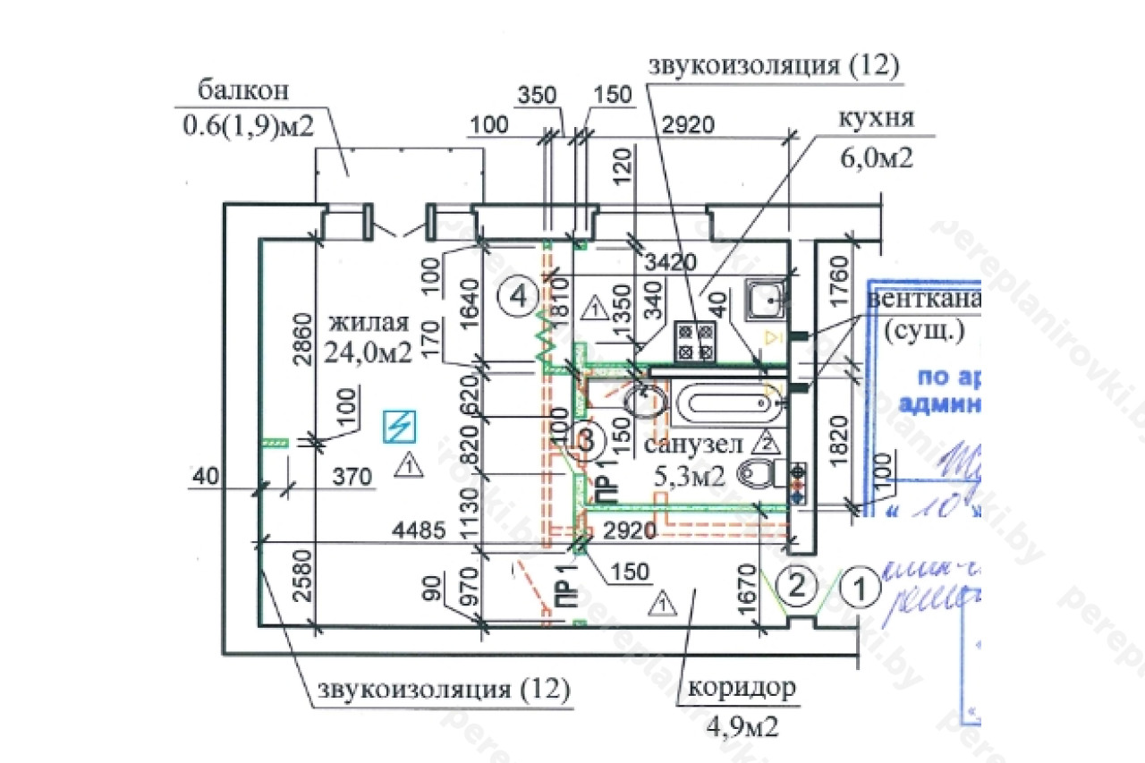
Выполненная перепланировка квартиры по проспекту Независимости д. 60 представляет собой следующие решения:
- Получили Разрешение Администрации Советского района г. Минска на перепланировку (переустройство).
- Разработали архитектурный проект перепланировки (Раздел АС -Архитектурно-строительные работы).
- Согласовали Архитектурно-строительный проект с Зам. Начальника управления архитектуры и строительства Администрации Советского района г. Минска, а также Председателем ТС.
- Выполнили стройработы по устройству гидроизоляции пола вновь образованного санузла.
- Осуществили технический надзор, составили акты на скрытые работы.
- Заказали обмерочную Ведомость БТИ.
- Составили комиссию на ввод в эксплуатацию + согласовали акты ввода с комиссией.
- Получили Решение исполкома на регистрацию изменений после перепланировки в БТИ.
- Зарегистрировали в БТИ Решение исполкома, получили новые правоустанавливающие документы - новый технический паспорт + Свидетельство о гос. Регистрации
Информация
Год постройки
1959
Серия
индвидуальный
Тип дома
кирпичный
Планировка
сталинка
Район
Советский район
Микрорайон
Гикало
Этажность
5
Метро
Академия Наук
№ дома
60
Улица
пр-т. Независимости
Город
г. Минск
Стиль
советский неоклассицизм
Координаты
53.918795, 27.591547
Похожие проекты


