Выполнили согласование самовольной перепланировки квартиры по ул. Кабушкина д. 78 к. 2 г. Минск
Сегодня: 0, за все время: 140
г. Минск
Заводской
9
индвидуальный
Автозаводская
5 минут пешком
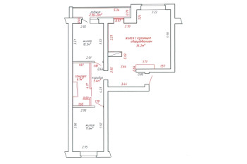
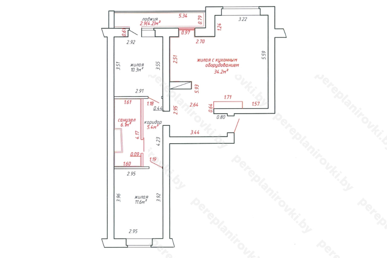
Узаконивание перепланировки квартиры по улице Кабушкина д. 78 к. 2 в Минске представляет собой следующие решения:
- Заказали Обмерочную Ведомость БТИ. Согласовали её в ЖЭС, Начальником Управления Архитектуры и строительства Администрации Заводского района г. Минска.
- Привлекли собственника квартиры к административной ответственности в виде штрафа 0.5 БВ.
- Выполнили Техническое Заключение о состоянии строительных конструкций.
- Подали "пакет документов" в Службу "Одно Окно" Администрации Заводского района для получения Решения исполкома на регистрацию самовольной перепланировки.
- Регистрация Решения исполкома на самоволку в БТИ. Получение нового Технического паспорта + Свидетельства о гос. Регистрации БТИ.
Информация
Год постройки
1981
Серия
индвидуальный
Тип дома
кирпичный
Планировка
стандартный проект
Район
Заводской район
Микрорайон
Крупской
Этажность
9
Метро
Автозаводская
№ дома
78/2
Улица
ул. Кабушкина
Город
г. Минск
Координаты
53.858506, 27.636023
Похожие проекты
Выполнить аналогичное узаконивание самовольной перепланировки, а также технический надзор можем и Вам. Достаточно оставить заявку "Заказать звонок" либо позвонить нам по телефонам +375 (29) 311-86-94 и +375 (33) 311-86-94
Адекватные цены, сертифицированные и опытные специалисты помогут выбрать Вам оптимальное решение.


