Выполнили согласование самовольной перепланировки квартиры по ул. Горецкого д. 19 г. Минск
Сегодня: 0, за все время: 149
г. Минск
Фрунзенский
6
индвидуальный
Согласование самовольной перепланировки квартиры по улице Горецкого д. 19 в Минске представляет собой следующие решения:
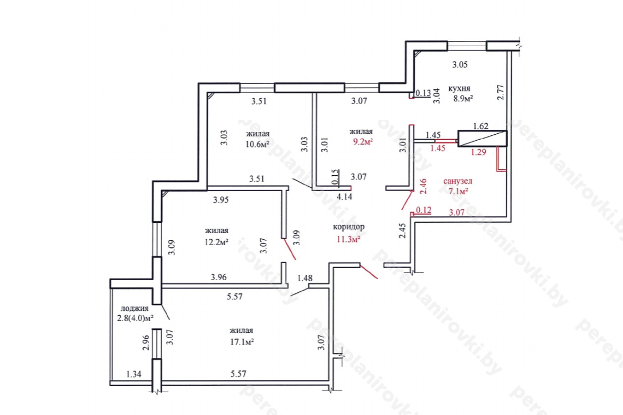
- Выполнили конструкторские расчёты на усиление существующего проёма между жилой и кухней квартиры, а также между жилой комнатой и коридором.
- Выполнили строй работы по усилению рамой опорной металлической РОМ1 существующего проёма между жилой и кухней квартиры (усиление скрытого типа и после отделки не видно), также строй работы по усилению расширенного существующего проёма между жилой комнатой и коридором (усиление скрытого типа и после отделки не видно).
- Убрали и вывезли строительный мусор на полигон "Тростенец" с предоставлением Заказчику Договора (нужен в исполком).
- Заказали обмерочную Ведомость в МГАпоГРиЗК.
- Согласовали Ведомость МГАпоГРиЗК у Главного инженера ЖЭУ Фрунзенского района г. Минска.
- Изготовили положительное Техническое Заключение о состоянии несущих конструкций.
- Привлекли собственника квартиры к административной ответственности в виде штрафа в ЖЭУ Фрунзенского района г. Минска.
- Оплатили штраф в 0,5 Б.В.
- Составили и согласовали акт выполненных работ по самовольной перепланировке у Главного инженера ЖЭУ Фрунзенского района г. Минска.
- Подали "пакет" документов в службу Одно Окно Администрации Фрунзенского района г. Минска на вынесение решения о "регистрации самовольной реконструкции".
- Получили положительную Выписку из Решения администрации Фрунзенского района г. Минска.
- Зарегистрировали Выписку из Решения исполкома в МГАпоГРиЗК и заказали новые правоустанавливающие документы.
- Получили в МГАпоГРиЗК новый Тех. паспорт на квартиру + Новое свидетельство о гос. Регистрации.
- Передали на офисе готовые все готовые документы Заказчику.
Информация
Год постройки
1999
Серия
М-464
Тип дома
панельный
Планировка
стандартный проект
Район
Фрунзенский район
Этажность
6
№ дома
19
Улица
ул. Горецкого
Город
г. Минск
Координаты
53.882317, 27.448958
Похожие проекты
Выполнить аналогичное узаконивание самовольной перепланировки, а также технический надзор можем и Вам. Достаточно оставить заявку "Заказать звонок" либо позвонить нам по телефонам +375 (29) 311-86-94 и +375 (33) 311-86-94
Адекватные цены, сертифицированные и опытные специалисты помогут выбрать Вам оптимальное решение.








