Выполнили согласование самовольной перепланировки квартиры по ул. Уборевича д. 114 г. Минск
Сегодня: 0, за все время: 128
г. Минск
Заводской
9
3-ОПБ
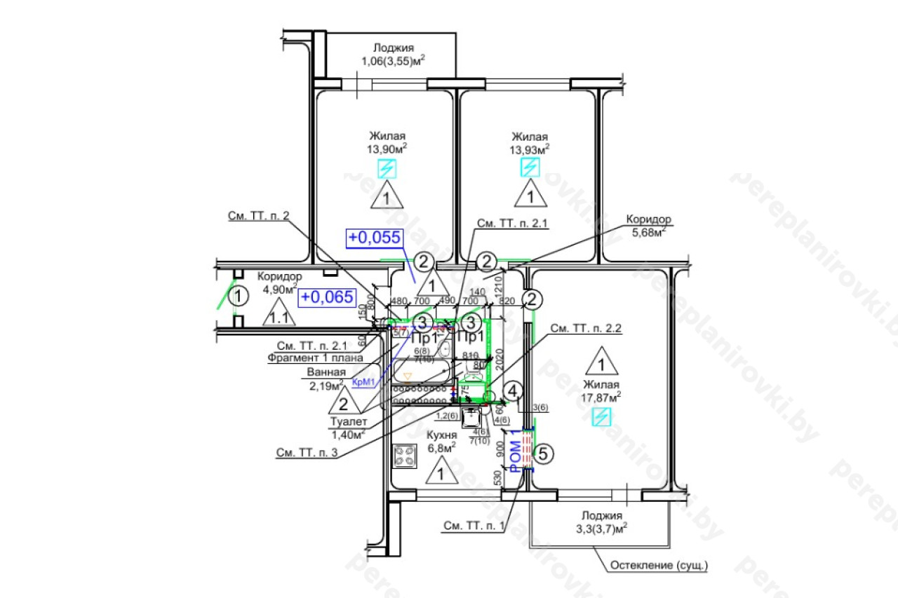
Выполненная перепланировка квартиры по улице Уборевича д. 114 представляет собой следующие решения:
- Заказали обмерочную Ведомость в МГАпоГРиЗК.
- Согласовали Ведомость МГАпоГРиЗК у Главного Инженера ЖЭУ Заводского района г. Минска.
- Изготовили Техническое Заключение о состоянии несущих конструкций.
- Привлекли собственника квартиры к административной ответственности в виде штрафа в ЖЭУ Заводского района г. Минска.
- Оплатили штраф в 0,5 Б.В.
- Составили и согласовали акт выполненных работ по самовольной перепланировке у Главного Инженера ЖЭУ Заводского района г. Минска.
- Подали "пакет" документов в службу Одно Окно Администрации Заводского района г. Минска на вынесение решения о "регистрации самовольной перепланировки".
- Получили положительную выписку из решения администрации Заводского района.
- Зарегистрировали Выписку из Решения исполкома в МГАпоГРиЗК и заказали новые правоустанавливающие документы.
- Получили в МГАпоГРиЗК новый Тех. паспорт на квартиру + Новое свидетельство о гос. Регистрации.
- Передали на офисе готовые все готовые документы Заказчику.
Информация
Год постройки
1977
Серия
3-ОПБ
Тип дома
панельный
Планировка
чешский проект
Район
Заводской район
Микрорайон
Чижовка
Этажность
9
№ дома
114
Улица
ул. Уборевича
Город
г. Минск
Координаты
53.835112, 27.637703
Похожие проекты


