Выполнили согласование самовольной перепланировки квартиры по ул. Байкальская д. 33 г. Минск
Сегодня: 0, за все время: 149
г. Минск
Заводской
9
М-464
Могилевская
13 минут пешком
Узаконивание перепланировки квартиры по улице Байкальская д. 33 в Минске представляет собой следующие решения:
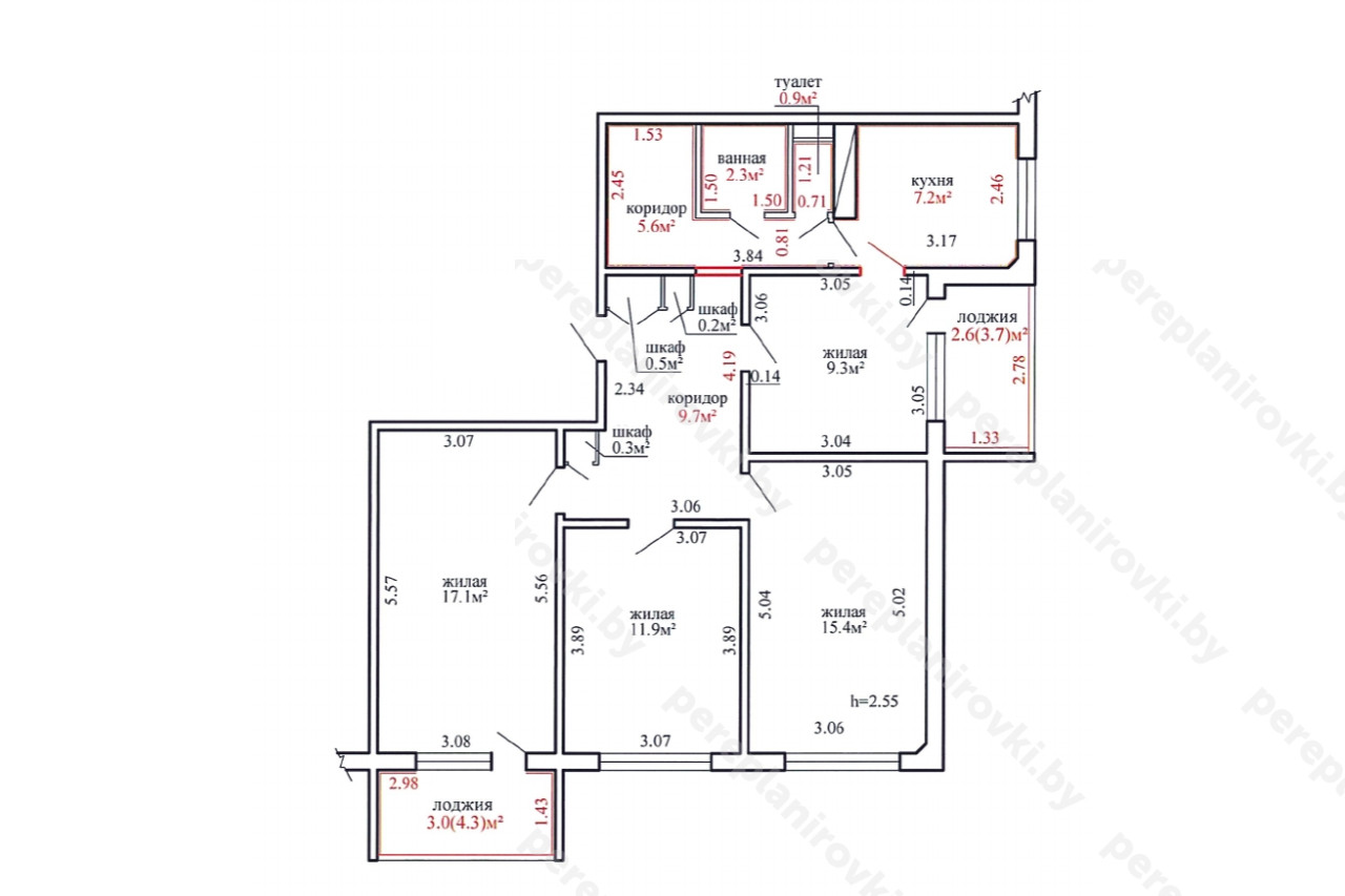
- Выполнили конструкторские расчёты на усиление существующего проёма между жилой и жилой, а также между жилой и кухней квартиры.
- Выполнили строй работы по усилению рамой опорной металлической РОМ1 существующего проёма между жилой и кухней, а также РОМ 2 между жилой и жилой квартиры.
- Убрали и вывезли строительный мусор на полигон "Тростенецкий" с предоставлением Заказчику Договора (нужен в исполком).
- Заказали обмерочную Ведомость в МГАпоГРиЗК.
- Согласовали Ведомость МГАпоГРиЗК у Главного инженера ЖЭУ Заводского района г. Минска.
- Изготовили Техническое Заключение о состоянии несущих конструкций.
- Привлекли собственника квартиры к административной ответственности в виде штрафа в ЖЭУ Заводского района г. Минска.
- Оплатили штраф в 0,5 Б.В.
- Составили и согласовали акт выполненных работ по самовольной перепланировке у Главного инженера ЖЭУ Заводского района г. Минска.
- Подали "пакет" документов в службу Одно Окно Администрации Заводского района г. Минска на вынесение решения о "регистрации самовольной реконструкции".
- Получили положительную Выписку из Решения администрации Заводского района г. Минска.
- Зарегистрировали Выписку из Решения исполкома в МГАпоГРиЗК и заказали новые правоустанавливающие документы.
- Получили в МГАпоГРиЗК новый Тех. паспорт на квартиру + Новое свидетельство о гос. Регистрации.
- Передали на офисе готовые все готовые документы Заказчику.
Информация
Год постройки
1979
Серия
М-464
Тип дома
панельный
Планировка
брежневка
Район
Заводской район
Микрорайон
Ангарская
Этажность
9
Метро
Могилевская
№ дома
33
Улица
ул. Байкальская
Город
г. Минск
Координаты
53.871106, 27.685933
Похожие проекты
Выполнить аналогичное узаконивание самовольной перепланировки, а также технический надзор можем и Вам. Достаточно оставить заявку "Заказать звонок" либо позвонить нам по телефонам +375 (29) 311-86-94 и +375 (33) 311-86-94
Адекватные цены, сертифицированные и опытные специалисты помогут выбрать Вам оптимальное решение.













