Выполнили перепланировку квартиры по пр-т Партизанский д. 32 к. 3 г. Минск
Сегодня: 0, за все время: 103
г. Минск
Заводской
5
1-464А
Пролетарская
9 минут пешком
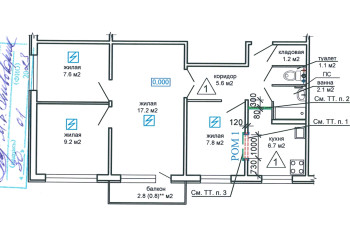
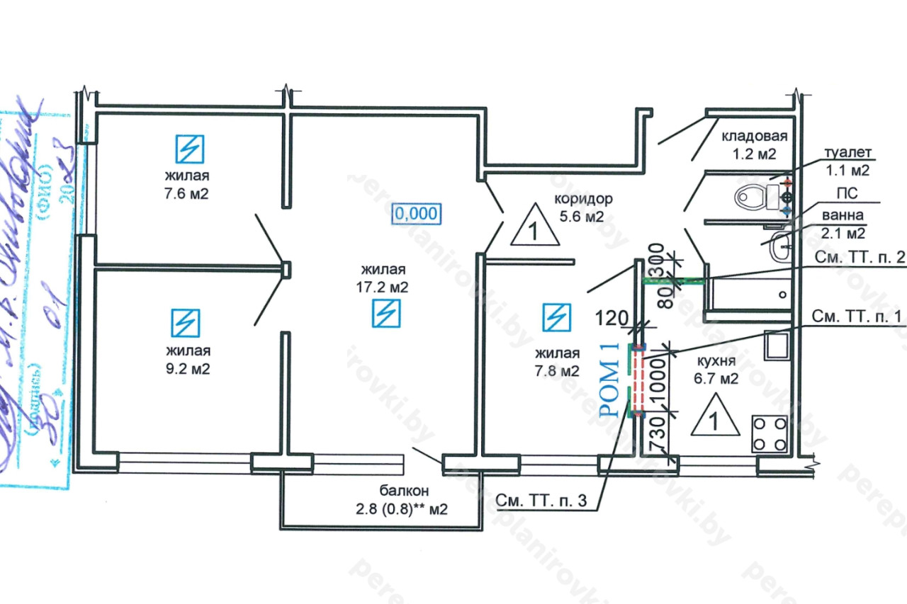
Выполненная перепланировка квартиры по улице Партизанский д. 32 к. 3 представляет собой следующие решения:
- Получили Разрешение на перепланировку (переустройство) квартиры в Администрации Заводского района г. Минска
- Разработали строительный проект на перепланировку квартиры(Разделы АС,КМ,ОПЗ,ТЗ).
- Согласовали данный проект Начальником управления архитектуры и строительства Администрации Заводского района г. Минска, ЖЭУ, УП "Мингаз"
- Успешно защитили строй проект в ГП "Госстройэкспертиза по г.Минску", получив положительное Заключение.
- Выполнили специальные строительные работы по устройству проёма в несущей стене с усилением металлической рамой-обоймой между кухней и жилой.
- Выполнили технический надзор за производством работ. Составили акты на скрытые работы.
- Заказали обмерочную ведомость БТИ. Согласовали её в ЖЭУ, а также с Начальником управления архитектуры и строительства Администрации Заводского района г. Минска.
- Составили и согласовали с комиссией акты на ввод в эксплуатацию.
- Подали "пакет" документов в Службу Одно Окно Администрации Заводского района на вынесение Решения "О регистрации перепланировки".
- Зарегистрировали Решение исполкома в БТИ и получили новые правоустанавливающие документы, включающие :
- - Новый Технический паспорт
- - Новое Свидетельство о государственной регистрации БТИ.
Информация
Год постройки
1968
Серия
1-464А
Тип дома
панельный
Район
Заводской район
Микрорайон
Народная
Этажность
5
Метро
Пролетарская
№ дома
32/2
Улица
пр-т. Партизанский
Город
г. Минск
Координаты
53.876335, 27.617122
Похожие проекты
Выполнить аналогичное усиление проёма в несущей стене , а также объединение квартиры можем и Вам. Достаточно оставить заявку "Заказать звонок" либо позвонить нам по телефонам +375 (29) 311-86-94 и +375 (33) 311-86-94
Адекватные цены, сертифицированные и опытные специалисты помогут выбрать Вам оптимальное решение.






