Выполнили перепланировку квартиры по ул. Шишкина д. 3 г. Минск
Сегодня: 0, за все время: 138
г. Минск
Заводской
19
М-464-М-16-101
Аэродромная
13 минут пешком
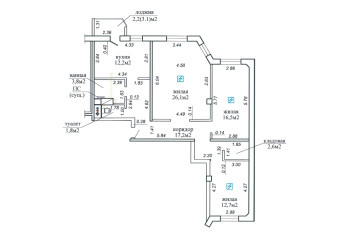
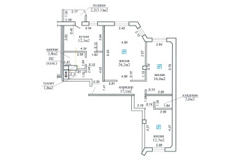
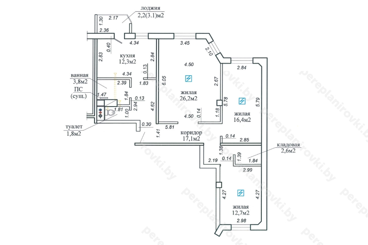
Выполнили перепланировку квартиры путём усиления несущих стен во вновь образованном проёме по улице Шишкина д. 3 в Минске представляет собой следующие решения:
- Получили Решение исполкома Заводского района г. Минска на перепланировку (переустройство) квартиры.
- Разработали проект перепланировки, включая разделы: АС, КМ, ТЗ, ОПЗ.
- Согласовали проект в Управлении архитектуры и строительства Администрации Заводского района г. Минска, ЖЭУ.
- Выполнили строй работы по устройству проёма между кухней и жилой комнатой с усилением Рамой опорной металлической РОМ.
- ПРИМЕЧАНИЕ: Не смотря на то, что квартира находится на 10-ом этаже 16-ти этажного дома , нам удалось спроектировать и удачно защитить проект в ГП «Госстройэкспертиза по г. Минску» в части рамы-обоймы РОМ1 не громоздкого исполнения, практически стойки вровень со стеной!
- Выполнили строй работы по гидроизоляции пола санузла (имеем Сертификат качества).
- Осуществили технический надзор за производством работ, составили акты на скрытые работы.
- Заказали Обмерочную Ведомость БТИ, согласовали её с ЖЭУ.
- Созвали комиссию на ввод квартиры в эксплуатацию после перепланировки + составили и согласовали с комиссией акты на ввод в эксплуатацию.
- Получили Решение исполкома Заводского района г. Минска на регистрацию актов ввода после перепланировки в БТИ.
- Зарегистрировали акты ввода + Решение исполкома в БТИ – получили новые правоустанавливающие документы
- Новый Технический паспорт.
- Новое свидетельство о государственной регистрации БТИ на имя собственника квартиры.
Информация
Год постройки
2021
Серия
М-464-М
Проект
М-464-М-16-101
Тип дома
панельный
Планировка
новостройка
Район
Заводской район
Микрорайон
Крупской
Этажность
16
Метро
Автозаводская
№ дома
3
Улица
ул. Шишкина
Город
г. Минск
Координаты
53.862701, 27.634316
Похожие проекты











