Выполнили перепланировку квартиры по ул. Михаила Миля д. 16 д. Копище
Сегодня: 0, за все время: 129
д. Копище
Минский
10
М-464-У1М
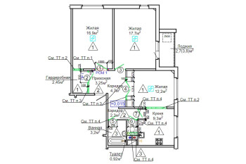
Выполнили проект перепланировки по улице Михаила Миля д. 16 в Копище представляет собой следующие решения:
- Получили Разрешение на перепланировку (переустройство) в Администрации Минского района.
- Выполнили строительный проект на перепланировку. Разделы: АС,КМ, ОПЗ, ТЗ.
- Согласовали проект в исполкоме Минского района, ТС «Квартал Форест».
- Защитили проект в ГП «Госстройэкспертиза по Минской области» без единого замечания и получили Положительное Заключение по проекту.
- Выполнили строй работы:
- Устройство проёма между жилой и коридором в несущей стене с усилением металлической рамой опорной РОМ.
- Осуществили технический надзор за производством работ. Составили акты на скрытые работы.
- Заказали обмерочную Ведомость БТИ. Согласовали данный документ в ТС.
- Составили акты на ввод в эксплуатацию. Согласовали акты с комиссией, куда входят все заинтересованные лица.
- Подали весь «пакет документов» в Службу Одно Окно для вынесения Решения исполкома Минского района «о регистрации актов ввода в БТИ…»
- Зарегистрировали в БТИ Решение исполкома на ввод, заказали новые правоустанавливающие документы, включающие
- - Новый технический паспорт;
- - Новое свидетельство о государственной регистрации БТИ.
Информация
Год постройки
2020
Квартал
Форрест
Серия
М-464-У1М
Область
Минская область
Тип дома
панельный
Жилой комплекс
ЖК Новая Боровая
Планировка
новостройка
Район
Минский район
Этажность
10
№ дома
16
Улица
ул. Михаила Миля
Город
д. Копище
Координаты
53.957127, 27.657663
Похожие проекты
Выполнить аналогичное усиление проёма в несущей стене , а также объединение квартиры можем и Вам. Достаточно оставить заявку "Заказать звонок" либо позвонить нам по телефонам +375 (29) 311-86-94 и +375 (33) 311-86-94
Адекватные цены, сертифицированные и опытные специалисты помогут выбрать Вам оптимальное решение.
Адрес: 223053, Минский р-н, д. Боровая, 7
Телефоны: +375 29 300 00 00
Сайт: www.a-100development.by
Почта: a-100@a-100.by












