Выполнили перепланировку квартиры по ул. Гвардейская д. 1 г. Минск
Сегодня: 0, за все время: 102
г. Минск
Центральный
7
1-204
Молодежная
10 минут пешком
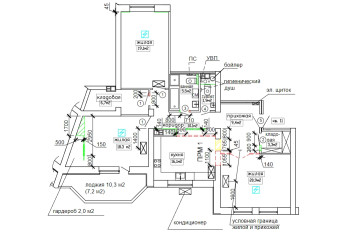
Выполнили перепланировку квартиры по улице Гвардейская д. 1 в Минске представляет собой следующие решения:
- Получили решение исполкома на перепланировку (переустройство).
- Разработали проект перепланировки, включая разделы: АС, ОВ, КМ, ТЗ, ОПЗ.
- Согласовали проект в Управлении архитектуры и строительства Администрации Центрального района г. Минска, ЖЭУ.
- Выполнили строй работы по устройству проёма в несущей стене между кухней и жилой комнатой с усилением Рамой Опорной Металлической РОМ1.
- Осуществили технический надзор за производством работ, составили акты на скрытые работы.
- Заказали Обмерочную Ведомость БТИ, согласовали её с ЖЭУ.
- Созвали комиссию на ввод квартиры в эксплуатацию после перепланировки + составили и согласовали с комиссией акты на ввод в эксплуатацию.
- Получили решение исполкома Центрального района г. Минска на регистрацию актов ввода после перепланировки в БТИ.
- Зарегистрировали акты ввода + Решение исполкома в БТИ – получили новые правоустанавливающие документы.
- Новый Технический паспорт.
- Новое свидетельство о государственной регистрации БТИ на имя собственника квартиры.
Информация
Год постройки
2006
Серия
1-204
Тип дома
кирпичный
Планировка
улучшенный проект
Район
Центральный район
Микрорайон
Победителей
Этажность
7
Метро
Молодежная
№ дома
1
Улица
ул. Гвардейская
Город
г. Минск
Стиль
постмодернизм
Координаты
53.913210, 27.530354
Похожие проекты
Выполнить аналогичное усиление проёма в несущей стене , а также объединение квартиры можем и Вам. Достаточно оставить заявку "Заказать звонок" либо позвонить нам по телефонам +375 (29) 311-86-94 и +375 (33) 311-86-94
Адекватные цены, сертифицированные и опытные специалисты помогут выбрать Вам оптимальное решение.







