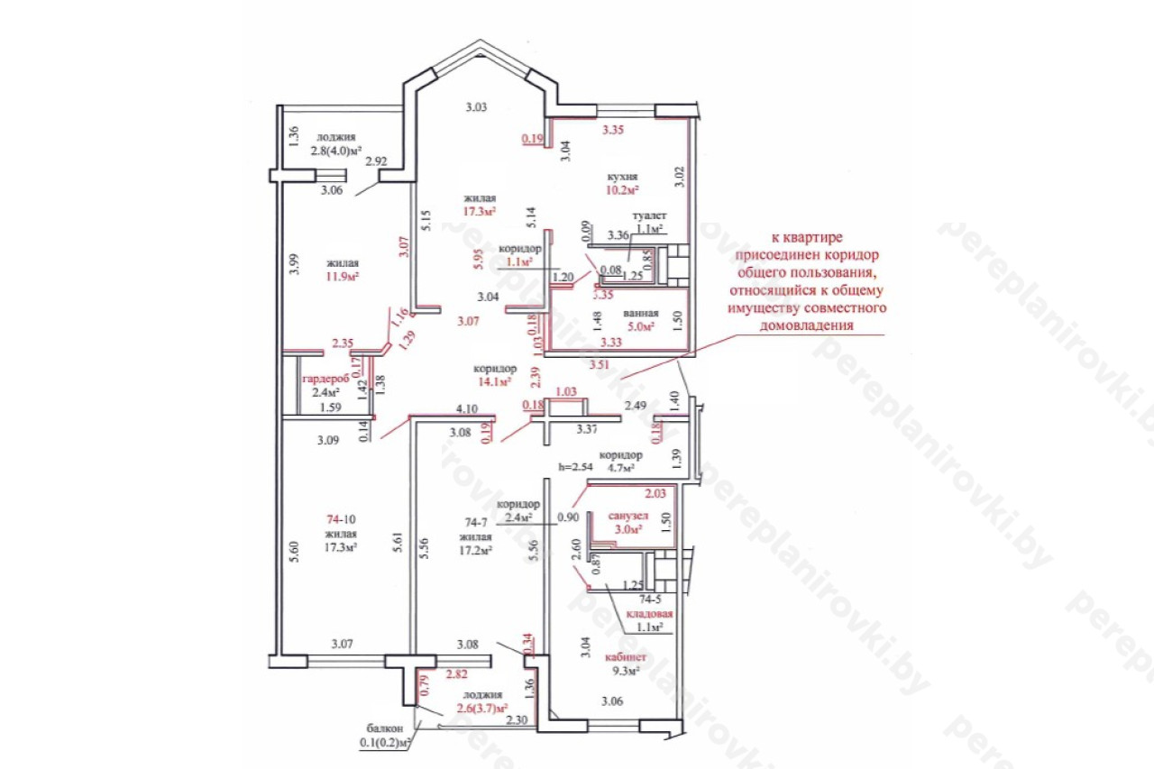
Выполнили объединение двух квартир по пер. Корженевского д. 28 г. Минск
Сегодня: 0, за все время: 153
г. Минск
Октябрьский
10
М-464-У1
Неморшанский сад
8 минут пешком
Выполнили объединение квартир по ул. пер. Корженевского д. 28 в Минске представляет собой следующие решения:
- Разработали (рассчитали) конструкторские расчёты на усиление металлом 5-ти существующих проёмов в несущих стенах.
- Выполнили строй работы по усилению 5-ти существующих проёмов в несущих стенах Рамами Опорными Металлическими.
- Собрали 2/3 положительных подписей жильцов жилого дома по пер. Корженевского 28 на отдельных листах с подписями и телефонами.
- Собрали собрание Товарищества Собственников жилого дома по пер. Корженевского 28 с вынесением Протокола опроса.
- Заказали Обмерочную Ведомость МГАпо ГРиЗК.
- Изготовили Техническое Заключение положительное о состоянии строительных конструкций.
- Привлекли Собственника квартиры в Администрации Октябрьского района к Административной ответственности в виде штрафа 10 БВ.
- Подали и получили в Администрации Октябрьского района Решение об утверждении реконструкции (объединении) 2-х квартир с присоединением тамбура общего пользования.
- Зарегистрировали Решение исполкома в МГАпо ГРиЗК и получили новые правоустанавливающие документы:
- - новый Технический паспорт;
- - новое Свидетельство МГАпо ГРиЗК.
Информация
Год постройки
2012
Серия
М-464-У1
Тип дома
панельный
Планировка
новостройка
Район
Октябрьский район
Микрорайон
Серова
Этажность
10
Метро
Неморшанский сад
№ дома
28
Улица
пер. Корженевского
Город
г. Минск
Координаты
53.848356, 27.526114
Похожие проекты
Выполнить аналогичное объединение квартир , а также перевод жилого помещения в нежилое можем и Вам. Достаточно оставить заявку "Заказать звонок" либо позвонить нам по телефонам +375 (29) 311-86-94 и +375 (33) 311-86-94
Адекватные цены, сертифицированные и опытные специалисты помогут выбрать Вам оптимальное решение.








