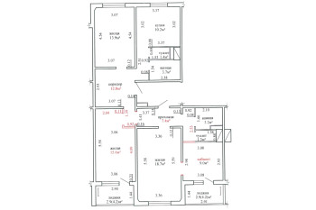
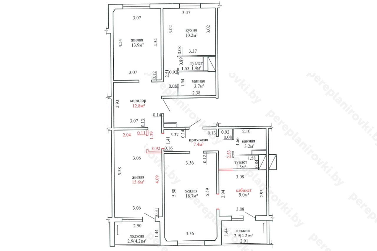
Выполнили объединение двух квартир по ул. Корзюки д. 44 г. Минск
Сегодня: 0, за все время: 125
г. Минск
Заводской
9
М-464-У1М
1 минут пешком
Выполненная узаконенная перепланировка квартиры по улице Корзюки д. 44 в Минске представляет собой следующие решения:
- Выполнили конструкторские расчёты на усиление существующего проёма между квартирами 53 и 54, а также проёма между жилой и кухней бывшей квартиры до объединения кв. №53.
- Выполнили строй работы по усилению рамой опорной металлической РОМ1 существующего проёма между жилой и кухней, а также РОМ 2 между квартирами.
- Убрали и вывезли строительный мусор на полигон "Тростенецкий" с предоставлением Заказчику Договора (нужен в исполком).
- Заказали обмерочную Ведомость в МГАпоГРиЗК на вновь образованную квартиру после самовольного объединения №53.
- Согласовали Ведомость МГАпоГРиЗК у Главного инженера ЖЭУ Заводского района г. Минска.
- Изготовили положительное Техническое Заключение о состоянии несущих конструкций (приложили в него конструкторские расчёты).
- Привлекли собственника квартиры к административной ответственности в виде штрафа в ЖЭУ Заводского района г. Минска.
- Оплатили штраф в 0,5 Б.В.
- Составили и согласовали акт выполненных работ по самовольной реконструкции у Главного инженера ЖЭУ Заводского района г. Минска.
- Подали "пакет" документов в службу Одно Окно Администрации Заводского района г. Минска на вынесение решения о "регистрации самовольной реконструкции".
- Получили положительную Выписку из Решения администрации Заводского района г. Минска.
- Зарегистрировали Выписку из Решения исполкома в МГАпоГРиЗК и заказали новые правоустанавливающие документы.
- Получили в МГАпоГРиЗК новый Тех. паспорт на квартиру + Новое свидетельство о гос. Регистрации.
- Передали заказчику с доставкой на дом все готовые документы.
Информация
Год постройки
2023
Серия
М-464-У1М
Тип дома
панельный
Планировка
улучшенный проект
Район
Заводской район
Микрорайон
Чижовка
Этажность
9
№ дома
44
Улица
ул. Корзюки
Город
г. Минск
Координаты
53.839277, 27.610349
Похожие проекты
Выполнить аналогичное объединение квартир , а также перевод жилого помещения в нежилое можем и Вам. Достаточно оставить заявку "Заказать звонок" либо позвонить нам по телефонам +375 (29) 311-86-94 и +375 (33) 311-86-94
Адекватные цены, сертифицированные и опытные специалисты помогут выбрать Вам оптимальное решение.





