Выполнили объединение двух квартир по ул. Скрипникова д. 66 г. Минск
Сегодня: 0, за все время: 127
г. Минск
Фрунзенский
19
M-111-90
Каменная горка
9 минут пешком
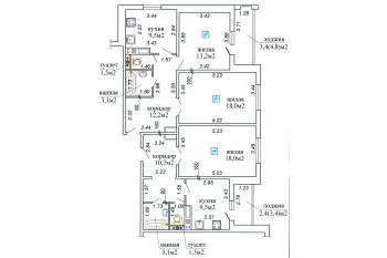
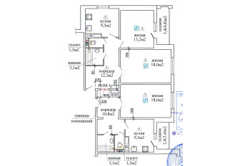
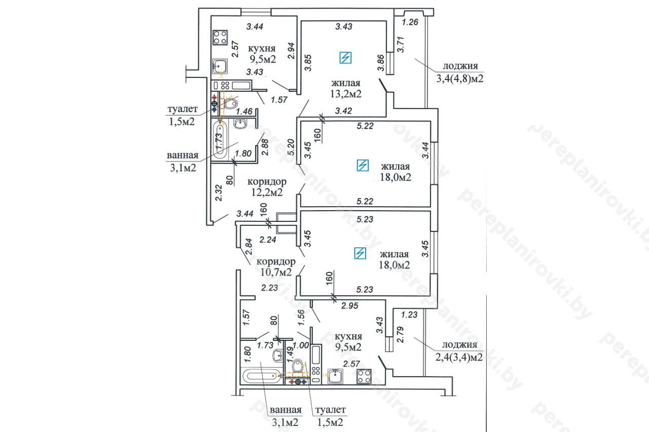
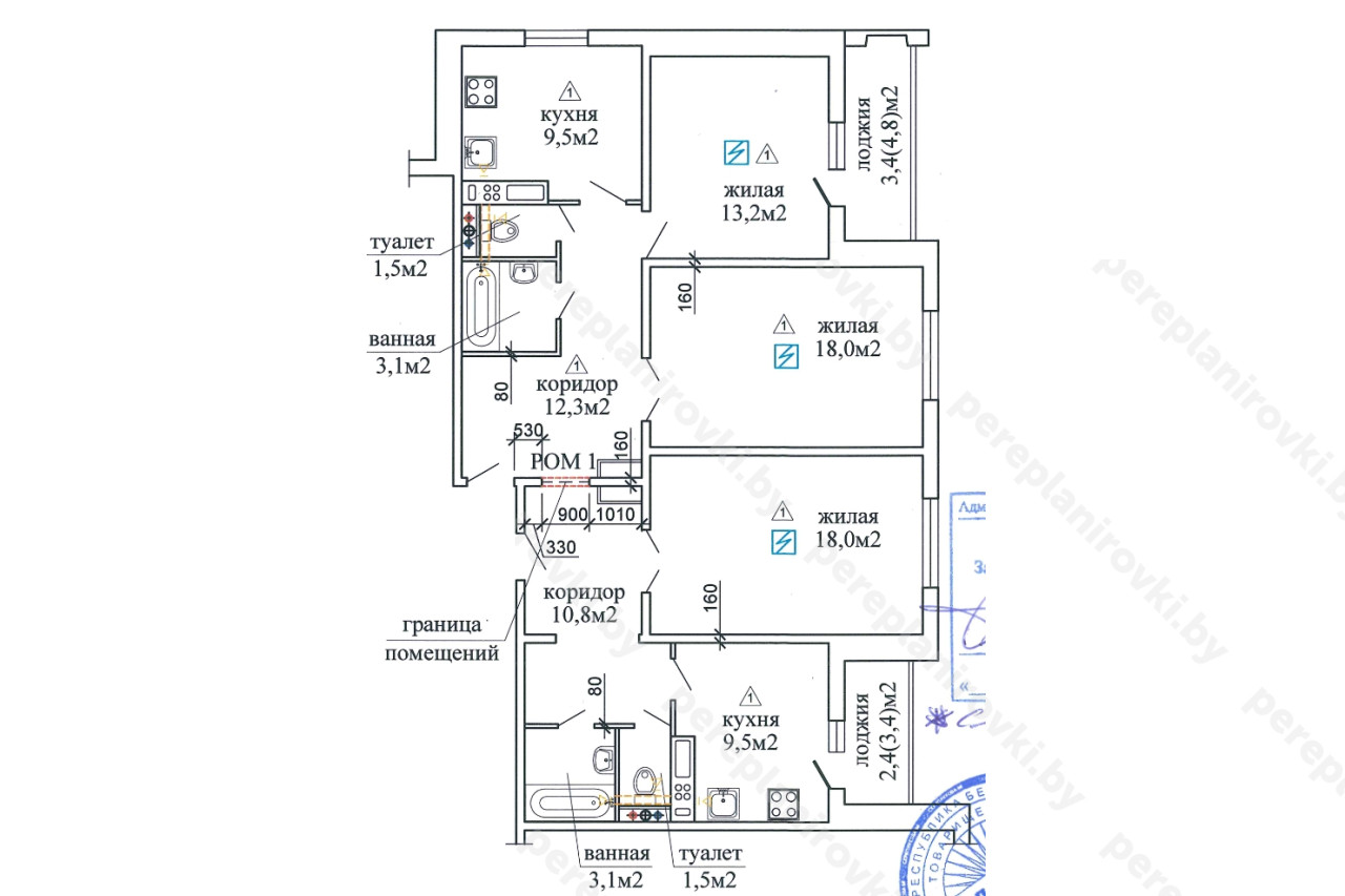
Выполнили объединение двух квартир по улице Скрипникова д. 66 в Минске представляет собой следующие решения:
- Получили Разрешение Администрации Фрунзенского района г. Минска на реконструкцию квартиры.
- Получили и согласовали в РЭС технические условия на электроснабжение двух квартир.
- Разработали строй проект на реконструкцию (объединение двух квартир в одну). Разделы: АС, КМ (рама опорная металлическая между квартирами), ОВ, ВК, Сметы на СМР, ПОС (проект организации строительства), ЭМ.
- Согласовали проект с Начальником управления архитектуры и строительства Администрации Фрунзенского района г. Минска, Председателем ТС, Энергосбыт, Энергонадзор.
- Защитили проект в ГП "Госстройэкспертиза по г. Минску", получили положительное Заключение.
- Выполнили стройработы, включая:
- - Проём между квартирами в несущей стене с усилением металлом и отделкой ГКЛ.
- - Электромонтажные работы.
- - Сантехнические работы а ванной и туалете.
- Осуществили технический надзор на производством работ. Составили акты на скрытые работы.
- Заказали Электрофизические измерения на новую электрику.
- Заключили новые договора в Энергосбыте и Энергонадзоре.
- Заказали Обмерочную Ведомость БТИ.
- Согласовали Обмерочную ведомость БТИ у Председателя ТС.
- Составили и согласовали с комиссией акты на ввод объекта в эксплуатацию.
- Подали "Пакет " документов в Службу Одно Окно исполкома Фрунзенского района г. Минска на Вынесение Решения о регистрации Реконструкции квартир в БТИ.
- Зарегистрировали Решение исполкома в БТИ и получили новые правоустанавливающие документы на одну квартиру с присвоением пониженного номера 42 включая :
- - Новый Технический паспорт на квартиру
- - Новое Свидетельство о гос. регистрации БТИ.
Информация
Год постройки
2020
Серия
М-111-90
Тип дома
панельный
Планировка
новостройка
Район
Фрунзенский район
Микрорайон
Красный Бор
Этажность
19
Метро
Каменная горка
№ дома
66
Улица
ул. Скрипникова
Город
г. Минск
Координаты
53.904008, 27.425476
Похожие проекты
Год основания: 1946
Адрес: 220030, г.Минск, ул. Карла Маркса , д.13а, каб.210
Телефоны: +375 (17) 327-78-70
Сайт: https://minskstroy.by
Почта: office@minskstroy.by









