Выполнили объединение двух квартир по ул. Виктора Ливенцева д. 4 г. Минск
Сегодня: 0, за все время: 172
г. Минск
Заводской
17
M-111-90
1 минут пешком
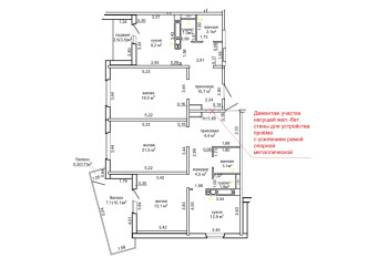
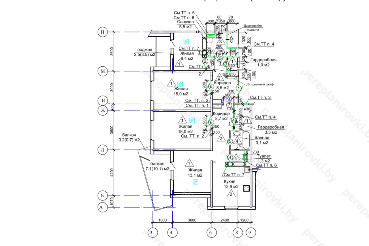
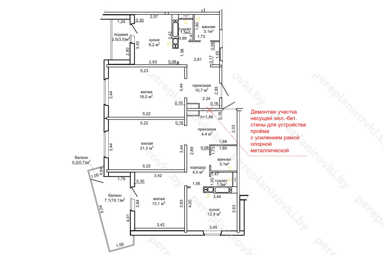
Выполнили объединение квартир по ул. Виктора Ливенцева д. 4 в Минске представляет собой следующие решения:
- Получили Разрешение Администрации Заводского района г. Минска на реконструкцию квартиры.
- Получили и согласовали в РЭС технические условия на электроснабжение двух квартир.
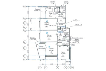
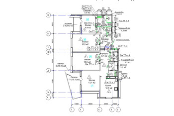
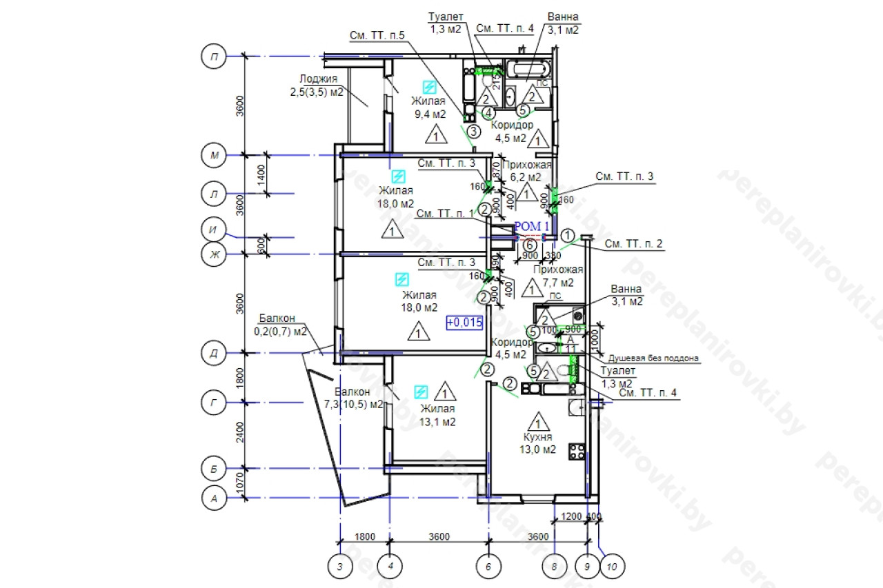
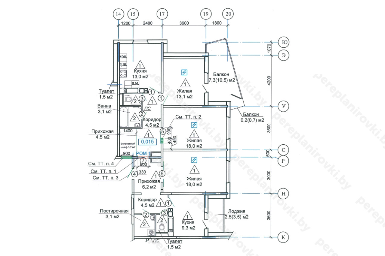
- Разработали строй проект на реконструкцию (объединение двух квартир в одну). Разделы: АС, КМ (рама опорная металлическая между квартирами), ОВ, ВК, Сметы на смр, ПОС (проект организации строительства), ЭМ.
- Согласовали проект с Начальником управления архитектуры и строительства Администрации Заводского района г. Минска, Председателем ТС, Энергосбыт, Энергонадзор.
- Защитили проект в ГП "Госстройэкспертиза по г. Минску", получили положительное Заключение.
- Выполнили стройработы, включая:
- - Проём между квартирами в несущей стене с усилением металлом и отделкой ГКЛ.
- - Проём между кухней и жилой в одной из квартир
- Осуществили технический надзор на производством работ. Составили акты на скрытые работы.
- Заказали Электрофизические измерения на новую электрику.
- Заключили новые договора в Энергосбыте и Энергонадзоре.
- Заказали Обмерочную Ведомость БТИ.
- Согласовали Обмерочную ведомость БТИ у Председателя ТС.
- Составили и согласовали с комиссией акты на ввод объекта в эксплуатацию.
- Подали "Пакет " документов в Службу Одно Окно исполкома Заводского района г. Минска на Вынесение Решения о регистрации Реконструкции квартир в БТИ.
- Зарегистрировали Решение исполкома в БТИ и получили новые правоустанавливающие документы на одну квартиру с присвоением пониженного номера включая :
- - Новый Технический паспорт на квартиру
- - Новое Свидетельство о гос. регистрации БТИ.
Информация
Год постройки
2021
Серия
М-111-90
Тип дома
панельный
Планировка
новостройка
Район
Заводской район
Микрорайон
Центральная
Этажность
17
Метро
Автозаводская
№ дома
4
Улица
ул. Ливенцева
Город
г. Минск
Координаты
53.861856, 27.636463
Похожие проекты










































