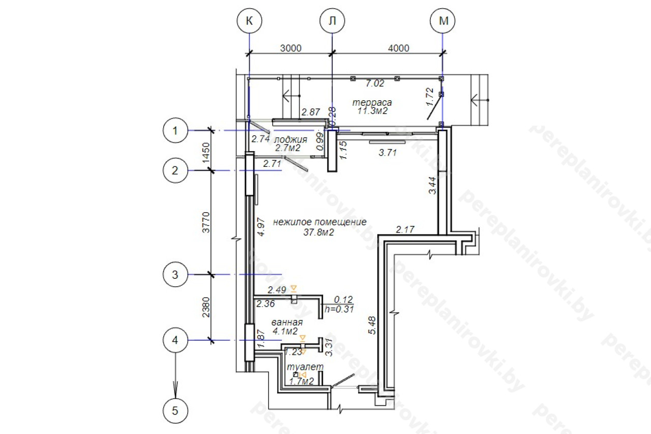
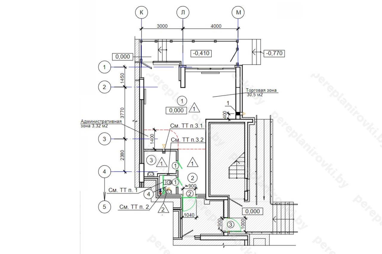
Выполнили перевод нежилого помещения в жилое по ул. Савицкого д. 4 г. Минск
Сегодня: 0, за все время: 978
г. Минск
Октябрьский
25
индвидуальный
Аэродромная
5 минут пешком
Информация
Год постройки
2021
Квартал
Азия
Серия
индвидуальный
Тип дома
монолитный
Жилой комплекс
ЖК Minsk World
Планировка
свободная
Район
Октябрьский район
Микрорайон
Минск Мир
Этажность
25
Метро
Аэродромная
№ дома
4
Улица
ул. Савицкого
Город
г. Минск
Координаты
53.869078, 27.528737
Дом
Токио
Похожие проекты
Выполнить аналогичный перевод нежилого помещения в жилое , а также технический надзор можем и Вам. Достаточно оставить заявку "Заказать звонок" либо позвонить нам по телефонам +375 (29) 311-86-94 и +375 (33) 311-86-94
Адекватные цены, сертифицированные и опытные специалисты помогут выбрать Вам оптимальное решение.
Dana Holdings
«Дана Холдингз» («Dana Holdings») – международная строительная компания. В состав группы входят в том числе ИООО «Дана Астра», ИООО «ЗомексИнвестмент» и СООО «Белинте-Роба», которые осуществляют деятельность в Республике Беларусь. Компания осуществля... Подробнее...Год основания: 2007
Адрес: 220114, г. Минск, ул. П. Мстиславца, д.5, помещение 207, комната 2
Телефоны: +375 17 388-17-19
Сайт: https://bir.by
Почта: bir@bir.by



